1,更换前挡风玻璃多少钱(材料+工时费)?
以2020款 科鲁泽(图片|配置|询价) 320 自动悦畅版为例,更换前挡玻璃所需费用(以北京地区的原厂配件流通价格为例,因地区差异此价格仅供参考)
原厂配件建议零售价:819元
预计工时费用:180元
配件示意图如下:
2,更换左右后视镜总成多少钱(材料+工时费)?
以2020款 科鲁泽 320 自动悦畅版为例,更换左右后视镜总成所需费用(以北京地区的原厂配件流通价格为例,因地区差异此价格仅供参考)
原厂配件建议零售价:364元/个
预计工时费用:135元
配件示意图如下:

3,更换左右雨刮臂多少钱(材料+工时费)?
以2020款 科鲁泽 320 自动悦畅版为例,更换左右雨刮臂所需费用(以北京地区的原厂配件流通价格为例,因地区差异此价格仅供参考)
原厂配件建议零售价:左184元,右187元
预计工时费用:90元
配件示意图如下:

4,更换前门外拉手多少钱(材料+工时费)?
以2020款 科鲁泽 320 自动悦畅版为例,更换前门外拉手所需费用(以北京地区的原厂配件流通价格为例,因地区差异此价格仅供参考)
原厂配件建议零售价:87元
预计工时费用:60元
配件示意图如下:

5,更换后门外拉手多少钱(材料+工时费)?
以2020款 科鲁泽 320 自动悦畅版为例,更换后门外拉手所需费用(以北京地区的原厂配件流通价格为例,因地区差异此价格仅供参考)
原厂配件建议零售价:87元
预计工时费用:60元
配件示意图如下:

6,该车更换后风挡玻璃多少钱(材料+工时费)?
以2020款 科鲁泽 320 自动悦畅版为例,更换后风挡玻璃所需费用(以北京地区的原厂配件流通价格为例,因地区差异此价格仅供参考)
原厂配件建议零售价:620元
预计工时费用:130元
配件示意图如下:
7,该车更换中控台多少钱(材料+工时费)?
以2020款 科鲁泽 320 自动悦畅版为例,更换中控台所需费用(以北京地区的原厂配件流通价格为例,因地区差异此价格仅供参考)
原厂配件建议零售价:2475元
预计工时费用:800元
配件示意图如下:

8,该车更换车门内拉手多少钱(材料+工时费)?
以2020款 科鲁泽 320 自动悦畅版为例,更换车门内拉手所需费用(以北京地区的原厂配件流通价格为例,因地区差异此价格仅供参考)
原厂配件建议零售价:77元
预计工时费用:50元
配件示意图如下:

9,更换后雾灯多少钱(材料+工时费)?
以2020款 科鲁泽 320 自动悦畅版为例,更换后雾灯需要更换尾灯总成,更换尾灯所需费用(以北京地区的原厂配件流通价格为例,因地区差异此价格仅供参考)
原厂配件建议零售价:702元
预计工时费用:330元
配件示意图如下:

10,该车更换高位刹车灯多少钱(材料+工时费)?
以2020款 科鲁泽 320 自动悦畅版为例,更换高位刹车灯所需费用(以北京地区的原厂配件流通价格为例,因地区差异此价格仅供参考)
原厂配件建议零售价:169元
预计工时费用:120元
配件示意图如下:

11,更换仪表台空调出风口多少钱(材料+工时费)?
以2020款 科鲁泽 320 自动悦畅版为例,更换仪表台空调出风口所需费用(以北京地区的原厂配件流通价格为例,因地区差异此价格仅供参考)
原厂配件建议零售价:243元/个
预计工时费用:125元/个
配件示意图如下:

12,该车更换仪表盘多少钱(材料+工时费)?
以2020款 科鲁泽 320 自动悦畅版为例,更换仪表所需费用(以北京地区的原厂配件流通价格为例,因地区差异此价格仅供参考)
原厂配件建议零售价:2080元
预计工时费用:570元
配件示意图如下:

13,该车更换音响系统多少钱(材料+工时费)?
以2020款 科鲁泽 320 自动悦畅版为例,更换音响系统所需费用(以北京地区的原厂配件流通价格为例,因地区差异此价格仅供参考)
原厂配件建议零售价:1320元
预计工时费用:680元
配件示意图如下:

14,该车更换天窗多少钱(材料+工时费)?
以2020款 科鲁泽 320 自动悦畅版为例,更换天窗所需费用(以北京地区的原厂配件流通价格为例,因地区差异此价格仅供参考)
原厂配件建议零售价:980元
预计工时费用:650元
配件示意图如下:

15,更换前门玻璃多少钱(材料+工时费)?
以2020款 科鲁泽 320 自动悦畅版为例,更换前门玻璃所需费用(以北京地区的原厂配件流通价格为例,因地区差异此价格仅供参考)
原厂配件建议零售价:169元
预计工时费用:95元
配件示意图如下:

16,更换后门玻璃多少钱(材料+工时费)?
以2020款 科鲁泽 320 自动悦畅版为例,更换后门玻璃所需费用(以北京地区的原厂配件流通价格为例,因地区差异此价格仅供参考)
原厂配件建议零售价:169元
预计工时费用:95元
配件示意图如下:

17,更换前门升降器多少钱(材料+工时费)?
以2020款 科鲁泽 320 自动悦畅版为例,更换前门升降器所需费用(以北京地区的原厂配件流通价格为例,因地区差异此价格仅供参考)
原厂配件建议零售价:455元
预计工时费用:360元
配件示意图如下:

18,更换后门升降器多少钱(材料+工时费)?
以2020款 科鲁泽 320 自动悦畅版为例,更换后门升降器所需费用(以北京地区的原厂配件流通价格为例,因地区差异此价格仅供参考)
原厂配件建议零售价:360元
预计工时费用:280元
配件示意图如下:

19,该车更换轮胎多少钱(材料+工时费)?
以2020款 科鲁泽 320 自动悦畅版为例,更换轮胎所需费用(以北京地区的原厂配件流通价格为例,因地区差异此价格仅供参考)
原厂配件建议零售价:430元/个
预计工时费用:60元/个
配件示意图如下:

20,该车更换轮毂多少钱(材料+工时费)?
以2020款 科鲁泽 320 自动悦畅版为例,更换轮毂所需费用(以北京地区的原厂配件流通价格为例,因地区差异此价格仅供参考)
原厂配件建议零售价:875元/个
预计工时费用:130元/个
配件示意图如下:

21,更换ABS控制泵多少钱(材料+工时费)?
以2020款 科鲁泽 320 自动悦畅版为例,更换ABS控制泵所需费用(以北京地区的原厂配件流通价格为例,因地区差异此价格仅供参考)
原厂配件建议零售价:1691元
预计工时费用:760元
配件示意图如下:

22,该车更换前防撞梁多少钱(材料+工时费)?
以2020款 科鲁泽 320 自动悦畅版为例,更换前防撞钢梁所需费用(以北京地区的原厂配件流通价格为例,因地区差异此价格仅供参考)
原厂配件建议零售价:520元
预计工时费用:350元
配件示意图如下:

23,该车更换后防撞梁多少钱(材料+工时费)?
以2020款 科鲁泽 320 自动悦畅版为例,更换后防撞钢梁所需费用(以北京地区的原厂配件流通价格为例,因地区差异此价格仅供参考)
原厂配件建议零售价:390元
预计工时费用:270元
配件示意图如下:

24,该车更换发动机盖多少钱(材料+工时费)?
以2020款 科鲁泽 320 自动悦畅版为例,更换发动机盖所需费用(以北京地区的原厂配件流通价格为例,因地区差异此价格仅供参考)
原厂配件建议零售价:2210元
预计工时费用:430元
配件示意图如下:

25,该车更换前翼子板多少钱(材料+工时费)?
以2020款 科鲁泽 320 自动悦畅版为例,更换前翼子板所需费用(以北京地区的原厂配件流通价格为例,因地区差异此价格仅供参考)
原厂配件建议零售价:780元+喷漆500元
预计工时费用:520元
配件示意图如下:

26,该车更换后翼子板多少钱(材料+工时费)?
以2020款 科鲁泽 320 自动悦畅版为例,更换后翼子板所需费用(以北京地区的原厂配件流通价格为例,因地区差异此价格仅供参考)
原厂配件建议零售价:2600元+喷漆1000元
预计工时费用:2500元
配件示意图如下:

27,该车更换主驾安全气囊多少钱(材料+工时费)?
以2020款 科鲁泽 320 自动悦畅版为例,更换主驾驶安全气囊所需费用(以北京地区的原厂配件流通价格为例,因地区差异此价格仅供参考)
原厂配件建议零售价:2600元
预计工时费用:375元
配件示意图如下:

28,该车更换副驾安全气囊多少钱(材料+工时费)?
以2020款 科鲁泽 320 自动悦畅版为例,更换副驾驶安全气囊所需费用(以北京地区的原厂配件流通价格为例,因地区差异此价格仅供参考)
原厂配件建议零售价:2600元
预计工时费用:375元
配件示意图如下:

29,该车更换前排侧气囊多少钱(材料+工时费)?
以2020款 科鲁泽 320 自动悦畅版为例,更换前排侧气囊所需费用(以北京地区的原厂配件流通价格为例,因地区差异此价格仅供参考)
原厂配件建议零售价:1690元
预计工时费用:420元
配件示意图如下:

30,该车更换方向机总成多少钱(材料+工时费)?
以2020款 科鲁泽 320 自动悦畅版为例,更换方向机所需费用(以北京地区的原厂配件流通价格为例,因地区差异此价格仅供参考)
原厂配件建议零售价:1028元
预计工时费用:850元
配件示意图如下:

31,该车更换发动机多少钱(材料+工时费)?
以2020款 科鲁泽 320 自动悦畅版为例,更换发动机所需费用(以北京地区的原厂配件流通价格为例,因地区差异此价格仅供参考)
原厂配件建议零售价:23500元
预计工时费用:6000元
配件示意图如下:

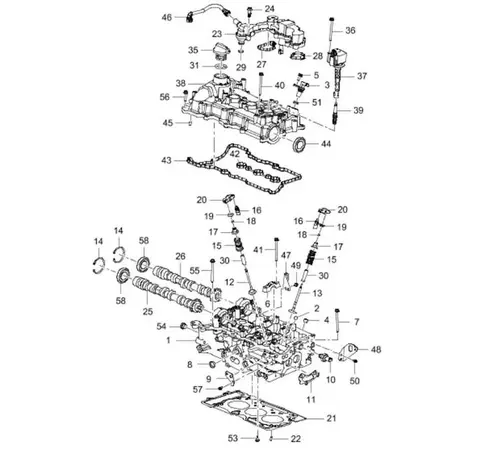
32,该车更换汽缸垫多少钱(材料+工时费)?
以2020款 科鲁泽 320 自动悦畅版为例,更换汽缸垫所需费用(以北京地区的原厂配件流通价格为例,因地区差异此价格仅供参考)
原厂配件建议零售价:176元
预计工时费用:2400元
配件示意图如下:

33,该车更换发动机油底壳多少钱(材料+工时费)?
以2020款 科鲁泽 320 自动悦畅版为例,更换发动机油底壳所需费用(以北京地区的原厂配件流通价格为例,因地区差异此价格仅供参考)
原厂配件建议零售价:302元
预计工时费用:320元
配件示意图如下:

34,该车更换发动机机脚胶多少钱(材料+工时费)?
以2020款 科鲁泽 320 自动悦畅版为例,更换发动机机脚所需费用(以北京地区的原厂配件流通价格为例,因地区差异此价格仅供参考)
原厂配件建议零售价:253元/个
预计工时费用:165元/个
配件示意图如下:

35,该车更换散热水箱多少钱(材料+工时费)?
以2020款 科鲁泽 320 自动悦畅版为例,更换散热水箱所需费用(以北京地区的原厂配件流通价格为例,因地区差异此价格仅供参考)
原厂配件建议零售价:1170元
预计工时费用:450元
配件示意图如下:

36,该车更换发动机氧传感器多少钱(材料+工时费)?
以2020款 科鲁泽 320 自动悦畅版为例,更换发动机氧传感器所需费用(以北京地区的原厂配件流通价格为例,因地区差异此价格仅供参考)
原厂配件建议零售价:前321元,后342元
预计工时费用:350元
配件示意图如下:

37,该车更换蓄电池多少钱(材料+工时费)?
以2020款 科鲁泽 320 自动悦畅版为例,更换蓄电池所需费用(以北京地区的原厂配件流通价格为例,因地区差异此价格仅供参考)
原厂配件建议零售价:760元
预计工时费用:50元
配件示意图如下:

38,该车更换电机多少钱(材料+工时费)?
以2020款 科鲁泽 320 自动悦畅版为例,更换电机所需费用(以北京地区的原厂配件流通价格为例,因地区差异此价格仅供参考)
原厂配件建议零售价:1730元
预计工时费用:580元
配件示意图如下:

39,该车更换行车电脑多少钱(材料+工时费)?
以2020款 科鲁泽 320 自动悦畅版为例,更换行车电脑所需费用(以北京地区的原厂配件流通价格为例,因地区差异此价格仅供参考)
原厂配件建议零售价:2370元
预计工时费用:600元
配件示意图如下:

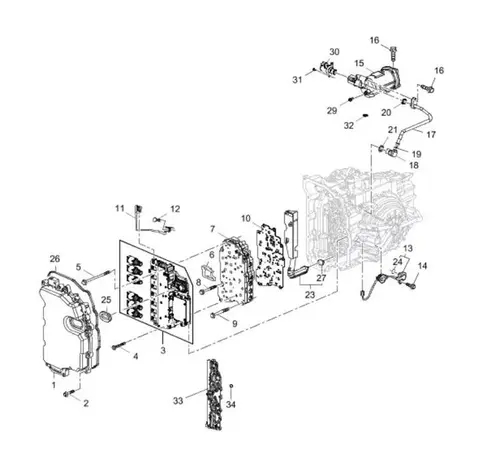
40,该车更换变速箱多少钱(材料+工时费)?
以2020款 科鲁泽 320 自动悦畅版为例,更换变速箱所需费用(以北京地区的原厂配件流通价格为例,因地区差异此价格仅供参考)
原厂配件建议零售价:38600元
预计工时费用:6000元
配件示意图如下:

41,该车更换变速箱油底壳多少钱(材料+工时费)?
以2020款 科鲁泽 320 自动悦畅版为例,更换变速箱油底壳所需费用(以北京地区的原厂配件流通价格为例,因地区差异此价格仅供参考)
原厂配件建议零售价:432元
预计工时费用:287元
配件示意图如下:

42,该车更换离合器片多少钱(材料+工时费)?
以2020款 科鲁泽 320 自动悦畅版为例,更换离合器片所需费用(以北京地区的原厂配件流通价格为例,因地区差异此价格仅供参考)
原厂配件建议零售价:6530元
预计工时费用:5700元
配件示意图如下:

手动变速箱更换离合器片所需费用(以北京地区的原厂配件流通价格为例,因地区差异此价格仅供参考)
原厂配件建议零售价:587元
预计工时费用:1300元
配件示意图如下:



渝公网安备50010502503425号
评论·0