提到热管理,对于大多数人而言,第一反应就是车内空调使用感受。然而对于整车而言,除了车内空调的使用,还包括对高压系统的加热保温或是散热降温,以及前挡风玻璃的除雾加热等等。
它就像汽车的贴心保护者,静静的管理车上各零部件的温度状态,让部件尽可能处在一个舒适的温度环境,保持零部件的最佳性能发挥,间接的影响车辆的动力性和经济性的优秀表现。
下面来看看各主机厂车型的热管理系统。
01.
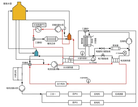
整个热管理系统的水路是相连通的,通过三通和四通水阀,实现串联和并联模式,整个热管理系统的框图如下图所示。

▲图1 小鹏P7的热管理系统整体框图
1.空调热舒适性系统,主要是空调制热、制冷、除湿、前挡除雾、车内温度以及空气循环的智能调节等。
2.电池加热冷却系统,应用1个四通换向阀, 2个三通比例阀, 实现电池和电机回路的串并联, 从而实现余热回收和电池中温散热功能。
高温时, 依靠电池换热器, 靠制冷剂给电池强制冷却。中温时, 依靠四通换向阀将电池回路与电驱回路串联, 通过前端低温散热器散热, 可以节省电动压缩机功耗。低温时依靠三通比例阀将低温散热器短路, 电池和电机回路串联, 回收电机余热给电池保温。超低温时依靠三通比例阀,通过水水换热器将电池回路加热, 实现给电池快速升温。
3.电驱冷却系统, 依靠电动水泵, 通过低温散热器, 依次给电机控制器、电机进行散热。
4.XPU、大屏主机散热, 通过温度及温升速率判断开启电机水泵, 从电机回路分流一部分流量到XPU、大屏主机水冷板进行冷却, 通过散热器或旁通进行散热。
5.补水排气系统,通过膨胀水壶与电池、电机、暖风回路连接, 分别为三个回路补水, 电池和电驱路共用一个分水箱排气、暖风回路用一个分水箱排气。
各个模块的热管理的具体策略如下:
1.电机冷却控制原理
电机冷却控制是由VCU来控制的,VCU通过判断电机回路中某一器件温度过高则进入电机冷却, 调节电机回路水泵转速、电子风扇转速, HVAC调整三通比例水阀1位置到散热器。其开启温度值:当电机温度高于75℃, IPU高于45℃, DCDC高于60℃, OBC高于50℃时开启电机冷却系统。三通阀通散热器。
整个冷却回路为:电机回路水泵→电机系统→三通比例水阀1→散热器/旁通→四通换向水阀→电机回路水泵。

▲图2 电机冷却控制原理
2.电池冷却控制原理
电池冷却又分为两种,其中一种为充电场景下,在该模式下BMS判断电池冷却需求, VCU判断是否满足电池冷却的条件, HVAC综合环境温度、电池回路水温、电机回路水温, 判断使用压缩机冷却, 从而驱动水阀、压缩机, 发出水泵、风扇请求。
该冷却回路为:压缩机→冷凝器→电子膨胀阀→电池换热器→压缩机。
另外一种是行车场景下,VCU判断是否满足电池冷却的条件, HVAC综合环境温度、电池回路水温、电机回路水温, 判断使用压缩机冷却, 从而驱动水阀、压缩机, 发出水泵、风扇请求。
该冷却回路为:电池回路水泵→动力电池→水水换热器→电池换热器。

▲图3 电池冷却控制原理
3.充电模式下的电池加热控制原理
BMS根据电池状态判断是否有加热需求-VCU根据整车状态发送高压系统状态-HVAC计算电池需求水温, 开启PTC、水泵进行加热。
冷却回路包括两条,其一为:电池回路水泵→水水换热器→电池换热器→动力电池→四通换向水阀→电池回路水泵。其二为采暖回路水泵→水加热PTC→三通比例水阀2→ 水水换热器→采暖回路水泵。

▲图4 充电模式下电池加热控制原理
4.电池热平衡控制原理
在电池电芯最高温度和最低温度之间差值过大,或者电池回路水温与电池最高、最低温度差值过大,从而出现冷热冲击,这时需要开启电池水泵进行电池热平衡。该冷却回路为:电池回路水泵→动力电池→水水换热器→电池换热器→电池回路水泵。

▲图5 电池热平衡控制原理
5.电池LTR冷却和电机余热回收控制原理
这里包括三部分,分别为电池LTR冷却,电池预冷,电机余热回收。
其中电池LTR冷却是在环境温度25℃以下, 电池温度较高时,切换四通换向水阀位置, 将电池回路和电机回路串联, 利用散热器给电池散热, 达到节能的目的。
而电池预冷则是电池温度即将达到冷却需求温度时, 利用散热器预先对电池进行冷却。
电机余热回收则是电池温度较低、电机回路水温高于电池回路水温一定值时, 将电池和电机回路串联, 利用电机回路温度给电池加热, 使电池处于适宜的工作温度, 达到节能的目的。
冷却回路为四通换向水阀→电机回路水泵→电机系统→三通比例水阀1→散热器/旁通 → 四通换向水阀→电池回路水泵→水水换热器→电池换热器→动力电池→四通换向水阀。

▲图6 电池LTR以及电机余热回收控制原理
02.
比亚迪海豹的热管理系统
比亚迪海豚的热管理集成模块上集成了6个电磁阀、3个电子膨胀阀以及9个制冷剂管接头,整个热管理系统如下图所示。

▲图7 海豚热泵空调系统
海豚的热泵系统中的阀岛设计采用了类似特斯拉集成化,比亚迪对冷媒回路进行了大规模集成,阀岛结构把制冷剂回路大部分控制组件进行了集成,实物和各个接口的定义如下。

▲图8 海豚热泵阀岛
基于图7,整理出整个热泵空系统的原理示意图,如下图所示。

▲图9 海豚车热泵空调原理示意图
其中图中PT-1、PT-2表示两个制冷剂压力及温度传感器,P-1表示制冷剂压力传感器,T-1、T-2表示两个制冷剂温度传感器。
下面来看下各个场景下热泵空调的运行逻辑。
当打开空调系统制热时,热泵空调系统开启电动压缩机,采暖电子膨胀阀工作、水源换热电磁阀及空调采暖电磁阀均打开,制冷剂通过车内冷凝器放热,通过板式换热器吸收驱动电机、电机控制器等电驱动单元的热量。极低温情况下,开启PTC加热器辅助加热,提高热泵空调的适用温度范围。
空调制热时,制冷剂的流动路线为:压缩机→车内冷凝器→采暖电子膨胀阀→水源换热电磁阀→板式换热器→空调采暖电磁阀→气液分离器→压缩机,如下图所示。

▲图10 空调制热循环
当空调系统制冷时,热泵空调系统开启电动压缩机,制冷电子阀膨胀阀工作,空调制冷磁阀及空气换热电磁阀均打开,制冷剂通过车外冷凝器放热,车内蒸发器吸收车内热量。
空调制冷时,制冷剂的流动路线为:压缩机→车内冷凝器→空调制冷电磁阀→空气换热电磁阀→单向阀5→制冷电子膨胀阀→车内蒸发器→单向阀4→气液分离器→压缩机,如下图所示。

提到热管理,对于大多数人而言,第一反应就是车内空调使用感受。然而对于整车而言,除了车内空调的使用,还包括对高压系统的加热保温或是散热降温,以及前挡风玻璃的除雾加热等等。
它就像汽车的贴心保护者,静静的管理车上各零部件的温度状态,让部件尽可能处在一个舒适的温度环境,保持零部件的最佳性能发挥,间接的影响车辆的动力性和经济性的优秀表现。
下面来看看各主机厂车型的热管理系统。
01.
小鹏P7的热管理系统
整个热管理系统的水路是相连通的,通过三通和四通水阀,实现串联和并联模式,整个热管理系统的框图如下图所示。

▲图 小鹏P7的热管理系统整体框图
1.空调热舒适性系统,主要是空调制热、制冷、除湿、前挡除雾、车内温度以及空气循环的智能调节等。
2.电池加热冷却系统,应用1个四通换向阀, 2个三通比例阀, 实现电池和电机回路的串并联, 从而实现余热回收和电池中温散热功能。
高温时, 依靠电池换热器, 靠制冷剂给电池强制冷却。中温时, 依靠四通换向阀将电池回路与电驱回路串联, 通过前端低温散热器散热, 可以节省电动压缩机功耗。低温时依靠三通比例阀将低温散热器短路, 电池和电机回路串联, 回收电机余热给电池保温。超低温时依靠三通比例阀,通过水水换热器将电池回路加热, 实现给电池快速升温。
3.电驱冷却系统, 依靠电动水泵, 通过低温散热器, 依次给电机控制器、电机进行散热。
4.XPU、大屏主机散热, 通过温度及温升速率判断开启电机水泵, 从电机回路分流一部分流量到XPU、大屏主机水冷板进行冷却, 通过散热器或旁通进行散热。
5.补水排气系统,通过膨胀水壶与电池、电机、暖风回路连接, 分别为三个回路补水, 电池和电驱路共用一个分水箱排气、暖风回路用一个分水箱排气。
各个模块的热管理的具体策略如下:
1.电机冷却控制原理
电机冷却控制是由VCU来控制的,VCU通过判断电机回路中某一器件温度过高则进入电机冷却, 调节电机回路水泵转速、电子风扇转速, HVAC调整三通比例水阀1位置到散热器。其开启温度值:当电机温度高于75℃, IPU高于45℃, DCDC高于60℃, OBC高于50℃时开启电机冷却系统。三通阀通散热器。
整个冷却回路为:电机回路水泵→电机系统→三通比例水阀1→散热器/旁通→四通换向水阀→电机回路水泵。

▲图 电机冷却控制原理
2.电池冷却控制原理
电池冷却又分为两种,其中一种为充电场景下,在该模式下BMS判断电池冷却需求, VCU判断是否满足电池冷却的条件, HVAC综合环境温度、电池回路水温、电机回路水温, 判断使用压缩机冷却, 从而驱动水阀、压缩机, 发出水泵、风扇请求。
该冷却回路为:压缩机→冷凝器→电子膨胀阀→电池换热器→压缩机。
另外一种是行车场景下,VCU判断是否满足电池冷却的条件, HVAC综合环境温度、电池回路水温、电机回路水温, 判断使用压缩机冷却, 从而驱动水阀、压缩机, 发出水泵、风扇请求。
该冷却回路为:电池回路水泵→动力电池→水水换热器→电池换热器。

▲图 电池冷却控制原理
3.充电模式下的电池加热控制原理
BMS根据电池状态判断是否有加热需求-VCU根据整车状态发送高压系统状态-HVAC计算电池需求水温, 开启PTC、水泵进行加热。
冷却回路包括两条,其一为:电池回路水泵→水水换热器→电池换热器→动力电池→四通换向水阀→电池回路水泵。其二为采暖回路水泵→水加热PTC→三通比例水阀2→ 水水换热器→采暖回路水泵。

▲图 充电模式下电池加热控制原理
4.电池热平衡控制原理
在电池电芯最高温度和最低温度之间差值过大,或者电池回路水温与电池最高、最低温度差值过大,从而出现冷热冲击,这时需要开启电池水泵进行电池热平衡。该冷却回路为:电池回路水泵→动力电池→水水换热器→电池换热器→电池回路水泵。

▲图 电池热平衡控制原理
5.电池LTR冷却和电机余热回收控制原理
这里包括三部分,分别为电池LTR冷却,电池预冷,电机余热回收。
其中电池LTR冷却是在环境温度25℃以下, 电池温度较高时,切换四通换向水阀位置, 将电池回路和电机回路串联, 利用散热器给电池散热, 达到节能的目的。
而电池预冷则是电池温度即将达到冷却需求温度时, 利用散热器预先对电池进行冷却。
电机余热回收则是电池温度较低、电机回路水温高于电池回路水温一定值时, 将电池和电机回路串联, 利用电机回路温度给电池加热, 使电池处于适宜的工作温度, 达到节能的目的。
冷却回路为四通换向水阀→电机回路水泵→电机系统→三通比例水阀1→散热器/旁通 → 四通换向水阀→电池回路水泵→水水换热器→电池换热器→动力电池→四通换向水阀。

▲图 电池LTR以及电机余热回收控制原理
02.
比亚迪海豹的热管理系统
比亚迪海豚的热管理集成模块上集成了6个电磁阀、3个电子膨胀阀以及9个制冷剂管接头,整个热管理系统如下图所示。

▲图 海豚热泵空调系统
海豚的热泵系统中的阀岛设计采用了类似特斯拉集成化,比亚迪对冷媒回路进行了大规模集成,阀岛结构把制冷剂回路大部分控制组件进行了集成,实物和各个接口的定义如下。

▲图 海豚热泵阀岛
基于图7,整理出整个热泵空系统的原理示意图,如下图所示。

▲图 海豚车热泵空调原理示意图
其中图中PT-1、PT-2表示两个制冷剂压力及温度传感器,P-1表示制冷剂压力传感器,T-1、T-2表示两个制冷剂温度传感器。
下面来看下各个场景下热泵空调的运行逻辑。
当打开空调系统制热时,热泵空调系统开启电动压缩机,采暖电子膨胀阀工作、水源换热电磁阀及空调采暖电磁阀均打开,制冷剂通过车内冷凝器放热,通过板式换热器吸收驱动电机、电机控制器等电驱动单元的热量。极低温情况下,开启PTC加热器辅助加热,提高热泵空调的适用温度范围。
空调制热时,制冷剂的流动路线为:压缩机→车内冷凝器→采暖电子膨胀阀→水源换热电磁阀→板式换热器→空调采暖电磁阀→气液分离器→压缩机,如下图所示。

▲图 空调制冷
当低温环境下充电,为缩短充电时间,或者是车辆低温行驶时,为改善低温下整车的动力性,热泵空调工作对动力电池直接进行加热。此时,电池电子膨胀阀开启工作,电池加热电磁阀、水源换热电磁阀和空调采暖暖电子膨胀阀和电池电子膨胀阀同时开启工作,水源换热电磁阀、电池加热电磁阀及空调采暖电磁阀均打开,吸收电驱动单元余热,车内冷凝器和动力电池直冷直热板放热。

▲图 电池加热
为了防止动力电池温度过高,热泵空调工作,对 动 力 电 池 直 接 进 行 冷 却 ;车 辆 行 驶时,当动力电池温度高于设定值,热泵空调也开始工作。此时,电池电子膨胀阀开启工作,空调制冷电磁阀、空气换热电磁阀和电池冷却电磁阀均打开。制冷剂通过车外换热器放热,通过动力电池直冷直热板吸热。
动力电池冷却时,制冷剂的流动路线为:压缩机→车内冷凝器→空调制冷电磁阀→空气换热电磁阀→单向阀5→单向阀2→电池电子膨胀阀→动力电池直冷直热板→电池冷却电磁阀→单向阀3→气液分离器→压缩机。

▲图 电池冷却
03.
大众ID4.X的热管理系统
首先大众ID4.X的热管理系统整体框图如下图所示。其一共有六种运行模式。


▲图 大众ID4.X热管理系统原理图
1、节温器温度小于15℃,电池温度在8℃~35℃,无热泵需求。【散热器旁路被激活,电池无需加热和冷却】
节温器打开散热器的旁路,用于电池加热的V696阀激活最小的低温冷却回路。当热泵运行起来时,V468低温回路冷却液泵被激活,同时使用Z132加热器件加热电池,如下图所示。

2、节温器温度小于15℃,电池温度小于8℃,没有热泵需求。【散热器被旁路,电池加热】
节温器打开散热器旁路,然后V696高压电池加热混合阀2激活最小可能的低温冷却电路。高压电池加热的V683混合阀激活电池加热电路。两个冷却泵都被激活,如下图所示。

3.节温器温度大于15℃,蓄电池温度在8℃~35℃,无热泵需求。【散热器内有冷却液流动,蓄电池未冷却或未加热】
节温器关闭散热器旁路。蓄电池预热混合阀 2 V696 打开温度最低的低温冷却回路。只有低温回路冷却液泵 V36 被激活。

4、节温器温度大于15℃,车辆运行时电池温度大于35℃,车辆充电时电池温度大于30℃,无热泵需求。【电池由热冷凝器的热交换器冷却,散热器内有冷却液流动】
节温器关闭散热器旁路,然后V696高压电池加热混合阀2激活最小可能的低温冷却电路。V683混合阀用于高压电池升温激活电池冷却液回路。两个冷却泵都被激活,如下图所示。

5、恒温器温度大于15℃,电池温度大于30℃,没有热泵需求。【电池通过低温回路冷却】
节温器关闭散热器旁路,然后V696高压电池加热混合阀2打开与电池的连接。V683混合阀用于高压电池升温激活电池冷却液回路。两个冷却泵都被激活。

6、恒温器温度大于15℃,电池温度在8~30℃,有热泵需求。【散热器内有冷却液流动,蓄电池未冷却或未加热】
节温器关闭散热器旁路。蓄电池预热混合阀 2 V696 打开蓄电池接口。蓄电池预热混合阀 V683 打开蓄电池加热回路。只有低温回路冷却液泵 V36 被激活。

04.
理想ONE的热管理系统
理想 ONE 汽车为增程式混合动力汽车,因此,理想 ONE 除了要对电池、乘员舱和电驱系统进行热管理外还要对增程器进行热管理,四大板块紧密协助,达到高效的热利用。下图为理想 ONE热管理系统原理图。

▲图 理想ONE的热管理系统
理想 ONE 热管理系统的关键是是多向流量控制阀精确地按比例开闭实现增程器、电池组和空调三套循环系统间热量的精确传递和利用,实现能量的高效利用。无级调节,小到流量控制阀、水泵,大到空调压缩机,前端冷却模块上的散热风扇,都能通过整车控制器实现功率无级调节,保障电池、增程器、电动机工作在最适宜的温度。前端冷却模块集成了冷凝器、低温散热器、高温散热器、中冷器和散热风扇五个模块的前端冷却模块。
05.
Model Y的热管理系统
Model Y的热管理系统的模式主要分为五种,分别为单独乘员舱制热、乘员舱&电池都需要制热、乘员舱需要制热&电池需要冷 却、乘员舱&电池都需要冷却、乘员舱余热回收。下面针对各个场景,分析热泵系统的运行模式。

▲图 Model Y热管理系统原理图
1.单独乘员舱制热模式
若电池此时温度高于10 ℃,热泵系统能通过电池冷却器从电池、电机循环的耦合回路中吸收热量来给乘员舱加热。冷媒经过压缩机后,依次经过电磁截止阀1→乘员舱冷凝器→电子膨胀阀2→气液分离器,最终回到压缩机,完成一个对乘员舱的制热循环。冷却液经过电池冷却器与冷媒进行热交换后,依次经过八通阀水口8至2→电池包→八通阀水口1至3→电子水泵1→控制器及驱动单元→八通阀水口4至6→液冷冷凝器→膨胀水壶→八通阀水口5至7→电子水泵2,再流入电池冷却器。在这个过程中,为防止热量损失,室外的换热器部分是被八通阀屏蔽的。乘员舱同时接收到压缩机消耗的电功率和电池回路的热量,系统整体的COP远高于1。
若电池温度较低,无法给乘员舱提供热量,则乘员舱的制热主要依靠压缩机做功。在这种极端条件下,热泵系统无法通过外部散热器或是电池冷却器实现冷媒与冷却液的热量交换,电子膨胀阀2与电磁截止阀2均处于关闭状态。冷媒经压缩机做功后,经由电磁截止阀1→乘员舱冷凝器→电子膨胀阀1→乘员舱蒸发器→气液分离器后,直接回到压缩机。冷却液循环则与上述电池不提供热量时一致,但在电池冷却器处并不进行热量交换。
若环境温度高于- 10 ℃,则热泵系统优先从外部环境中吸收热量。系统中膨胀阀1关闭,冷媒通过电池冷却器吸收环境中的热量。通过改变对八通阀的控制,让冷却液依次经过八通阀水口8至6→液冷冷凝器→膨胀水壶→室外散热器→八通阀水口9至7→电子水泵2,再回到电池冷却器形成闭环。
2.乘员舱&电池同时加热模式
通常情况下,电池包的温度都会高于环境温度。当电池也需要加热时,通常已经是非常极端的情况,环境温度低于- 10 ℃,此时的热泵系统无法从外部环境获得热量。除了要保证乘员舱的舒适性外,还需要分出部分热量供给电池包,此时的热泵系统仍然完全依靠压缩机做功, COP=1。从原理图上看,冷媒经过压缩机后,在截止阀1、2处按比例(优先保障乘员舱制热需求)分成两路,一部分经过乘员舱冷凝器,另一部分经过液冷冷凝器,在电子膨胀阀1处汇合,再经由乘员舱蒸发器→气液分离器,返回压缩机。冷却液仍然在电池冷却器处与冷媒进行热交换,被冷媒加热后的冷却液会将热量传递到电池包处。
在一些特殊情况下,为了使电池快速升温(大电流充电,电池温度必须高于0 ℃),则要考虑牺牲乘员舱舒适性。此时热泵会控制截止阀1与电子膨胀阀1关闭,打开电子膨胀阀2,保持冷却液循环不变,开启快速加热电池包模式,这样能使电池包快速达到可以充电或大功率放电的状态。
3.乘员舱需要制热&电池需要冷却模式
这一模式通常出现在环境温度较低,车辆需要进行大功率充电时。车辆快充时间较短,乘员有很大可能性在车上等待充电,这个过程中乘员舱的制热功能需要得到一定的保证。这时的冷媒与上述任何情况的流向都有差别,经过压缩机做功之后的冷媒会分为两路,一部分经过乘员舱冷凝器,另一部分经过液冷冷凝器,后共同在电子膨胀阀2→电池冷却器处蒸发吸热,再经由气液分离器回到压缩机。
而冷却液循环也被八通阀分隔成了两部分,经过电池冷却器的部分被冷媒冷却后,依次经过八通阀水口8至2→电池包→八通阀水口1至7→电子水泵1,再流入电池冷却器形成闭环。经过液冷冷凝器的部分与电驱动、室外散热器串联,将多余的热量带到室外环境中。
特斯拉的这个设计十分高明,一方面,乘员舱制热量过剩时,其中一部分可以被液冷冷凝器带到室外环境,这部分热量在水路循环中不会影响到电池包;另一方面,在乘员舱制热量不足时,截止阀2被关闭,冷媒的所有热量都会集中到乘员舱冷凝器,用来加热乘员舱。再者,若电池散热能力不足,还能通过八通阀让电池水循环先经过室外换热器,进一步降低循环水温。
4. 乘员舱&电池都需要冷却模式
这一情况即夏季正常的用车情况。此时的热泵系统即作为普通的空调系统使用,液冷冷凝器替代了传统的冷凝器进行工作,使空调系统正常运行。
5.余热回收模式
这一模式较为特殊,但这一模式的存在也正是热泵空调的优势以及控制智能化的体现。余热回收,顾名思义即将整车冗余部分的热量存储起来,以便下一次 用车时释放。电池包因为其对温度的敏感性,表面一般都会有较好的保温层,以维持电池的温度恒定在一定范围内,这一特性使得它很适合作为车辆余热回收的载体。冬季气温较低,当车辆停车、人员离开后,乘员舱或者电机内部还会有一定的热量,可通过热泵将其存储到电池包内。
这一工况下,乘员舱内部即为普通的制冷循环,冷媒和冷却液在液冷冷凝器中进行热交换。冷却液的循环在八通阀的控制下,是屏蔽室外散热器的,避免热量通过室外散热器耗散到外部环境中。
在下一次用车时,电池包的温度还能保持较高,热泵系统就能利用这部分热量给乘员舱进行加热。
06.
总结
从上面几家的热管理系统可以看出,热管理系统方案逐步呈现出高效化,精细化,集成化的趋势。
高效化是指系统能耗成为整车热管理系统的重要衡量指标。通过合理的系统设计,高效的“热量搬运工”可以带来显著的能效提升。
精细化是指控制的精细化,新能源汽车对于热管理系统精准度要求大幅提高。动力电池热管理需要做到对温度的稳定精确控制,同时随着新能源汽车电机功率密度的提升及智能化程度提高带来的半导体器件功耗的增加,电驱及电子器件热管理的精准度也有更高的要求。
集成模块化是指通过合理的管路设计及排布方案,可以实现压降与换热损失的最小化,提升系统效率。同时,集中式的排布使得热管理系统平台化,有益于不同车型间的移植和标准化设计。协同集成式控制器后还能进一步优化整车线束与电子芯片,实现更精益的系统方案。
-end-
渝公网安备50010502503425号
评论·0