很多车主车辆出现故障后,修车无从下手,更换配件也不知道价格高低,今天我们就来了解一下凯迪拉克XT4(图片|配置|询价)这款车更换配件的价格汇总。
1,更换前挡风玻璃多少钱(材料+工时费)?
以2021款 凯迪拉克XT4 28T 两驱技术型为例,更换前挡玻璃所需费用(以北京地区的原厂配件流通价格为例,因地区差异此价格仅供参考)
原厂配件建议零售价:3900元
预计工时费用:600元
配件示意图如下:
2,更换左右后视镜总成多少钱(材料+工时费)?
以2021款 凯迪拉克XT4 28T 两驱技术型为例,更换左右后视镜总成所需费用(以北京地区的原厂配件流通价格为例,因地区差异此价格仅供参考)
原厂配件建议零售价:764元/个
预计工时费用:240元
配件示意图如下:

3,更换左右雨刮臂多少钱(材料+工时费)?
以2021款 凯迪拉克XT4 28T 两驱技术型为例,更换左右雨刮臂所需费用(以北京地区的原厂配件流通价格为例,因地区差异此价格仅供参考)
原厂配件建议零售价:左240元,右230元
预计工时费用:120元
配件示意图如下:

4,更换前门外拉手多少钱(材料+工时费)?
以2021款 凯迪拉克XT4 28T 两驱技术型为例,更换前门外拉手所需费用(以北京地区的原厂配件流通价格为例,因地区差异此价格仅供参考)
原厂配件建议零售价:297元
预计工时费用:130元
配件示意图如下:

5,更换后门外拉手多少钱(材料+工时费)?
以2021款 凯迪拉克XT4 28T 两驱技术型为例,更换后门外拉手所需费用(以北京地区的原厂配件流通价格为例,因地区差异此价格仅供参考)
原厂配件建议零售价:297元
预计工时费用:130元
配件示意图如下:

6,该车更换后风挡玻璃多少钱(材料+工时费)?
以2021款 凯迪拉克XT4 28T 两驱技术型为例,更换后风挡玻璃所需费用(以北京地区的原厂配件流通价格为例,因地区差异此价格仅供参考)
原厂配件建议零售价:2600元
预计工时费用:600元
配件示意图如下:
7,该车更换中控台多少钱(材料+工时费)?
以2021款 凯迪拉克XT4 28T 两驱技术型为例,更换中控台所需费用(以北京地区的原厂配件流通价格为例,因地区差异此价格仅供参考)
原厂配件建议零售价:6740元
预计工时费用:1600元
配件示意图如下:

8,该车更换车门内拉手多少钱(材料+工时费)?
以2021款 凯迪拉克XT4 28T 两驱技术型为例,更换车门内拉手所需费用(以北京地区的原厂配件流通价格为例,因地区差异此价格仅供参考)
原厂配件建议零售价:189元
预计工时费用:90元
配件示意图如下:

9,更换后雾灯多少钱(材料+工时费)?
以2021款 凯迪拉克XT4 28T 两驱技术型为例,更换后雾灯需要更换尾灯总成,更换尾灯所需费用(以北京地区的原厂配件流通价格为例,因地区差异此价格仅供参考)
原厂配件建议零售价:2600元
预计工时费用:560元
配件示意图如下:

10,该车更换高位刹车灯多少钱(材料+工时费)?
以2021款 凯迪拉克XT4 28T 两驱技术型为例,更换高位刹车灯所需费用(以北京地区的原厂配件流通价格为例,因地区差异此价格仅供参考)
原厂配件建议零售价:1078元
预计工时费用:270元
配件示意图如下:

11,更换仪表台空调出风口多少钱(材料+工时费)?
以2021款 凯迪拉克XT4 28T 两驱技术型为例,更换仪表台空调出风口所需费用(以北京地区的原厂配件流通价格为例,因地区差异此价格仅供参考)
原厂配件建议零售价:450元/个
预计工时费用:245元/个
配件示意图如下:

12,该车更换仪表盘多少钱(材料+工时费)?
以2021款 凯迪拉克XT4 28T 两驱技术型为例,更换仪表所需费用(以北京地区的原厂配件流通价格为例,因地区差异此价格仅供参考)
原厂配件建议零售价:7800元
预计工时费用:1600元
配件示意图如下:

13,该车更换音响系统多少钱(材料+工时费)?
以2021款 凯迪拉克XT4 28T 两驱技术型为例,更换音响系统所需费用(以北京地区的原厂配件流通价格为例,因地区差异此价格仅供参考)
原厂配件建议零售价:6571元
预计工时费用:2000元
配件示意图如下:

14,该车更换天窗多少钱(材料+工时费)?
以2021款 凯迪拉克XT4 28T 四驱铂金版为例,更换天窗所需费用(以北京地区的原厂配件流通价格为例,因地区差异此价格仅供参考)
原厂配件建议零售价:前4322元,后3657元
预计工时费用:1300元
配件示意图如下:

15,更换前门玻璃多少钱(材料+工时费)?
以2021款 凯迪拉克XT4 28T 两驱技术型为例,更换前门玻璃所需费用(以北京地区的原厂配件流通价格为例,因地区差异此价格仅供参考)
原厂配件建议零售价:1560元
预计工时费用:360元
配件示意图如下:

16,更换后门玻璃多少钱(材料+工时费)?
以2021款 凯迪拉克XT4 28T 两驱技术型为例,更换后门玻璃所需费用(以北京地区的原厂配件流通价格为例,因地区差异此价格仅供参考)
原厂配件建议零售价:1560元
预计工时费用:360元
配件示意图如下:

17,更换前门升降器多少钱(材料+工时费)?
以2021款 凯迪拉克XT4 28T 两驱技术型为例,更换前门升降器所需费用(以北京地区的原厂配件流通价格为例,因地区差异此价格仅供参考)
原厂配件建议零售价:672元
预计工时费用:400元
配件示意图如下:

18,更换后门升降器多少钱(材料+工时费)?
以2021款 凯迪拉克XT4 28T 两驱技术型为例,更换后门升降器所需费用(以北京地区的原厂配件流通价格为例,因地区差异此价格仅供参考)
原厂配件建议零售价:672元
预计工时费用:400元
配件示意图如下:

19,该车更换轮胎多少钱(材料+工时费)?
以2021款 凯迪拉克XT4 28T 两驱技术型为例,更换轮胎所需费用(以北京地区的原厂配件流通价格为例,因地区差异此价格仅供参考)
原厂配件建议零售价:779元/个
预计工时费用:100元/个
配件示意图如下:

20,该车更换轮毂多少钱(材料+工时费)?
以2021款 凯迪拉克XT4 28T 两驱技术型为例,更换轮毂所需费用(以北京地区的原厂配件流通价格为例,因地区差异此价格仅供参考)
原厂配件建议零售价:1975元/个
预计工时费用:200元/个
配件示意图如下:

21,更换ABS控制泵多少钱(材料+工时费)?
以2021款 凯迪拉克XT4 28T 两驱技术型为例,更换ABS控制泵所需费用(以北京地区的原厂配件流通价格为例,因地区差异此价格仅供参考)
原厂配件建议零售价:7913元
预计工时费用:1600元
配件示意图如下:

22,该车更换前防撞梁多少钱(材料+工时费)?
以2021款 凯迪拉克XT4 28T 两驱技术型为例,更换前防撞钢梁所需费用(以北京地区的原厂配件流通价格为例,因地区差异此价格仅供参考)
原厂配件建议零售价:1560元
预计工时费用:430元
配件示意图如下:

23,该车更换后防撞梁多少钱(材料+工时费)?
以2021款 凯迪拉克XT4 28T 两驱技术型为例,更换后防撞钢梁所需费用(以北京地区的原厂配件流通价格为例,因地区差异此价格仅供参考)
原厂配件建议零售价:1820元
预计工时费用:430元
配件示意图如下:

24,该车更换发动机盖多少钱(材料+工时费)?
以2021款 凯迪拉克XT4 28T 两驱技术型为例,更换发动机盖所需费用(以北京地区的原厂配件流通价格为例,因地区差异此价格仅供参考)
原厂配件建议零售价:6500元
预计工时费用:1200元
配件示意图如下:

25,该车更换前翼子板多少钱(材料+工时费)?
以2021款 凯迪拉克XT4 28T 两驱技术型为例,更换前翼子板所需费用(以北京地区的原厂配件流通价格为例,因地区差异此价格仅供参考)
原厂配件建议零售价:2800元+喷漆1200元
预计工时费用:1800元
配件示意图如下:

26,该车更换后翼子板多少钱(材料+工时费)?
以2021款 凯迪拉克XT4 28T 两驱技术型为例,更换后翼子板所需费用(以北京地区的原厂配件流通价格为例,因地区差异此价格仅供参考)
原厂配件建议零售价:7000元+喷漆2400元
预计工时费用:3600元
配件示意图如下:

27,该车更换主驾安全气囊多少钱(材料+工时费)?
以2021款 凯迪拉克XT4 28T 两驱技术型为例,更换主驾驶安全气囊所需费用(以北京地区的原厂配件流通价格为例,因地区差异此价格仅供参考)
原厂配件建议零售价:7800元
预计工时费用:900元
配件示意图如下:

28,该车更换副驾安全气囊多少钱(材料+工时费)?
以2021款 凯迪拉克XT4 28T 两驱技术型为例,更换副驾驶安全气囊所需费用(以北京地区的原厂配件流通价格为例,因地区差异此价格仅供参考)
原厂配件建议零售价:5200元
预计工时费用:700元
配件示意图如下:

29,该车更换前排侧气囊多少钱(材料+工时费)?
以2021款 凯迪拉克XT4 28T 两驱技术型为例,更换前排侧气囊所需费用(以北京地区的原厂配件流通价格为例,因地区差异此价格仅供参考)
原厂配件建议零售价:1560元
预计工时费用:350元
配件示意图如下:

30,该车更换方向机总成多少钱(材料+工时费)?
以2021款 凯迪拉克XT4 28T 两驱技术型为例,更换方向机所需费用(以北京地区的原厂配件流通价格为例,因地区差异此价格仅供参考)
原厂配件建议零售价:8710元
预计工时费用:2400元
配件示意图如下:

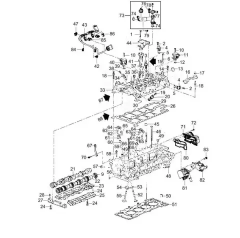
31,该车更换发动机多少钱(材料+工时费)?
以2021款 凯迪拉克XT4 28T 两驱技术型为例,更换发动机所需费用(以北京地区的原厂配件流通价格为例,因地区差异此价格仅供参考)
原厂配件建议零售价:55900元
预计工时费用:10000元
配件示意图如下:

32,该车更换汽缸垫多少钱(材料+工时费)?
以2021款 凯迪拉克XT4 28T 两驱技术型为例,更换汽缸垫所需费用(以北京地区的原厂配件流通价格为例,因地区差异此价格仅供参考)
原厂配件建议零售价:342元
预计工时费用:3200元
配件示意图如下:

33,该车更换发动机油底壳多少钱(材料+工时费)?
以2021款 凯迪拉克XT4 28T 两驱技术型为例,更换发动机油底壳所需费用(以北京地区的原厂配件流通价格为例,因地区差异此价格仅供参考)
原厂配件建议零售价:670元
预计工时费用:400元
配件示意图如下:

34,该车更换发动机机脚胶多少钱(材料+工时费)?
以2021款 凯迪拉克XT4 28T 两驱技术型为例,更换发动机机脚所需费用(以北京地区的原厂配件流通价格为例,因地区差异此价格仅供参考)
原厂配件建议零售价:480元/个
预计工时费用:255元/个
配件示意图如下:

35,该车更换散热水箱多少钱(材料+工时费)?
以2021款 凯迪拉克XT4 28T 两驱技术型为例,更换散热水箱所需费用(以北京地区的原厂配件流通价格为例,因地区差异此价格仅供参考)
原厂配件建议零售价:2653元
预计工时费用:780元
配件示意图如下:

36,该车更换发动机氧传感器多少钱(材料+工时费)?
以2021款 凯迪拉克XT4 28T 两驱技术型为例,更换发动机氧传感器所需费用(以北京地区的原厂配件流通价格为例,因地区差异此价格仅供参考)
原厂配件建议零售价:前1349元,后1251元
预计工时费用:700元
配件示意图如下:

37,该车更换蓄电池多少钱(材料+工时费)?
以2021款 凯迪拉克XT4 28T 两驱技术型为例,更换蓄电池所需费用(以北京地区的原厂配件流通价格为例,因地区差异此价格仅供参考)
原厂配件建议零售价:1599元
预计工时费用:80元
配件示意图如下:

38,该车更换电机多少钱(材料+工时费)?
以2021款 凯迪拉克XT4 28T 两驱技术型为例,更换电机所需费用(以北京地区的原厂配件流通价格为例,因地区差异此价格仅供参考)
原厂配件建议零售价:4870元
预计工时费用:600元
配件示意图如下:

39,该车更换行车电脑多少钱(材料+工时费)?
以2021款 凯迪拉克XT4 28T 两驱技术型为例,更换行车电脑所需费用(以北京地区的原厂配件流通价格为例,因地区差异此价格仅供参考)
原厂配件建议零售价:7629元
预计工时费用:800元
配件示意图如下:

40,该车更换变速箱多少钱(材料+工时费)?
以2021款 凯迪拉克XT4 28T 两驱技术型为例,更换变速箱所需费用(以北京地区的原厂配件流通价格为例,因地区差异此价格仅供参考)
原厂配件建议零售价:44267元
预计工时费用:8000元
配件示意图如下:

41,该车更换变速箱油底壳多少钱(材料+工时费)?
以2021款 凯迪拉克XT4 28T 两驱技术型为例,更换变速箱油底壳所需费用(以北京地区的原厂配件流通价格为例,因地区差异此价格仅供参考)
原厂配件建议零售价:670元
预计工时费用:430元
配件示意图如下:

42,该车更换离合器片多少钱(材料+工时费)?
以2021款 凯迪拉克XT4 28T 两驱技术型为例,更换离合器片所需费用(以北京地区的原厂配件流通价格为例,因地区差异此价格仅供参考)
原厂配件建议零售价:8733元
预计工时费用:6000元
配件示意图如下:

以上是凯迪拉克XT4部分更换配件价格总结,广大车友可以进行参考,做到心中有数,避免被坑,省心省力的维护好自己的爱车。


渝公网安备50010502503425号
评论·0